QL65I7SABC

http://localhost:8069/web/image/product.template/63/image_1920?unique=ec2c7a2

产品描述:
QL65I7S-A/B/C is a MOCVD grown 650nm band InGaAlP laser diode with quantum well structure.
It's an attractive light source, with a typical light output power of 30mW for optoelectronic devices such as DVD-R/+R, DVD-Recorder, High Speed DVD-player and Inderstrial Bar Code Scanner.
产品特色:
➢ Visible Light Output : λp = 658 nm(typ.)
➢ Optical Power Output : 30mW CW, 50mW PULSE(Tp = 0.5㎲, Duty = 50%)
➢ Package Type : TO-18 (5.6mmφ)
➢ Built-in Photo Diode for Monitoring Laser Diode
应用范围:
➢ Standard speed DVD-R/+R
➢ DVD-RW/+RW
➢ DVD-RAM

¥ 0.00 0.0 CNY ¥ 0.00

¥ 0.00

    此组合不存在。



    电气连接:


    极限工作条件:


    光电特性:


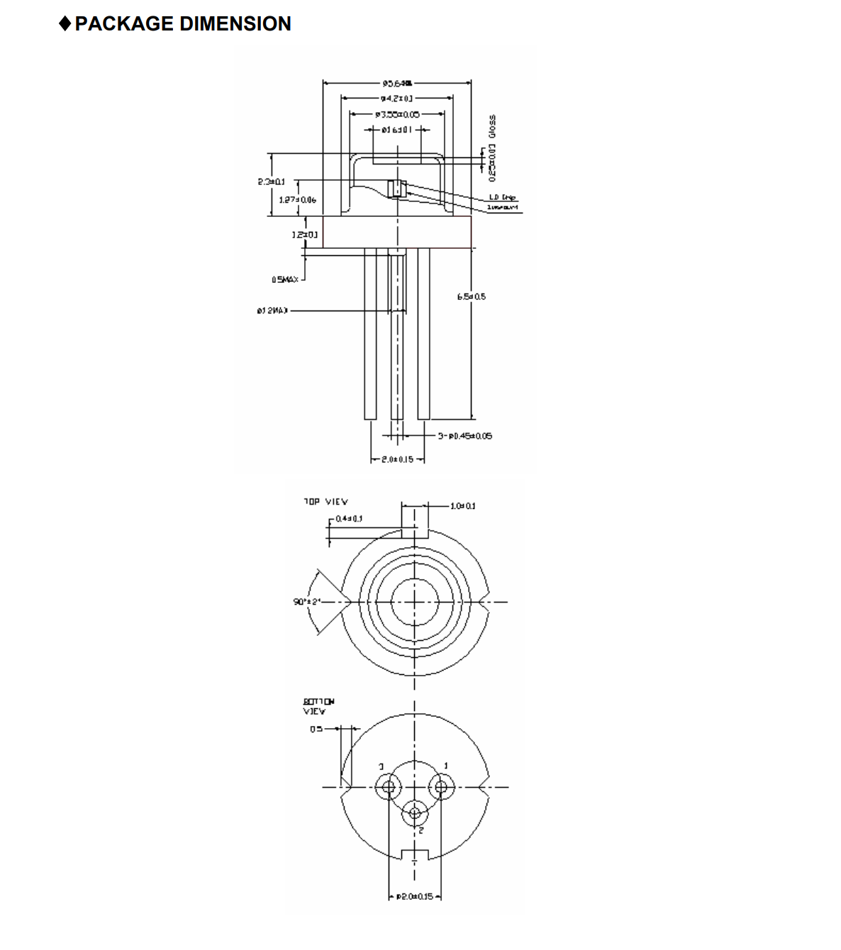
    包装尺寸:


    包装: